Uzun zamandır ayarlanabilir çıkış voltajı ve akımı için uygun bir laboratuvar güç kaynağım yoktu. Her iki çıktı miktarı da minimumdan maksimuma ayarlanabilir. Girişte bir transformatör ve bazı kontrol elemanları olan sıradan bir doğrusal kaynak oluşturmak istemedim, bu internette çok fazla. Bu yüzden güç kaynaklarını değiştirme yoluna çıktım ve bugün size anlatacağım ve göstereceğim bir güç kaynağı oluşturuldu. Kaynak, yeni başlayanlar için uygun değildir, çünkü tasarımı ve özellikle endüktif elemanların (transformatörler ve sönümleme bobinleri) inşa edilmesi oldukça zordur. Anahtarlamalı bir güç kaynağı inşa etmiş bir kişiye inşaatı tavsiye ederim, temel bilgi olmadan inşa etmek imkansızdır!
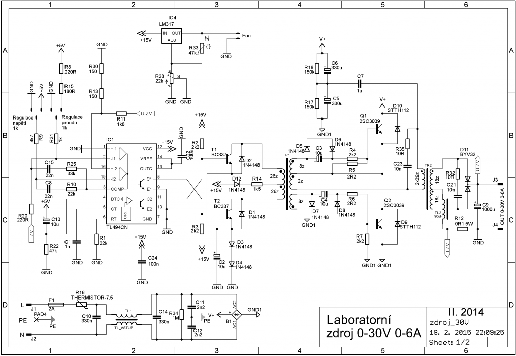
Ana parçanın bağlantı şeması:
Yardımcı kaynağın bağlantı şeması:
Yani tüm anahtarlamalı güç kaynaklarında olduğu gibi girişte şebeke gerilimi vardır (~ 230V). Bu voltaj, giriş EMI filtresinden geçirilir, doğrultulur ve uygun bir kapasitör kapasitesi ile filtrelenir. Sonraki filtrelenmiş voltaj (325V), güç transistörleri tarafından orta frekanslı bir transformatöre değiştirilir. Yine, düzeltme ve filtreleme + kontrol devresine geri besleme takip eder. Çoğu kaynak bu şekilde çalışır.
Anahtarlamalı güç kaynaklarının
avantajları : Muhtemelen en büyük avantajları, yaklaşık %90 (doğru tasarımla) olan verimliliktir. Doğrusal kaynaklar yaklaşık %50 verimliliğe sahiptir.
Diğer bir avantaj, anahtarlamalı dönüştürücünün yüke "uyum sağlaması"dır. Geri besleme sayesinde, çıkış voltajını gösteren kaymayı (güç transistörlerinin açılması ve açılması arasındaki oran - Ton / Toff) kontrol eder, kayma ne kadar büyükse, çıkış voltajı o kadar yüksek olur. Bu aynı zamanda güç kaynaklarını değiştirmek için çok küçük olan sessiz tüketimle de ilgilidir.
Çıkışta çok doğru ve kararlı bir voltaj ve akıma sahiptir, yine geri beslemeden kaynaklanmaktadır.
Giriş voltajlarında büyük dalgalanma. Belirli bir güç kaynağı topolojisi ~ 100-250V giriş aralığında çalışabilir, bunu hepimiz dizüstü bilgisayar adaptörlerinden ve tüm ev güç kaynaklarından biliyoruz. Genellikle, bu tek eylemli engelleme kaynakları - geri dönüş - göreceli basitlikleri nedeniyle en yaygın kullanılanlardır.
Dezavantajları:
Her şeyde olduğu gibi, anahtarlamalı güç kaynaklarının dezavantajları vardır. Anahtarlamalı güç kaynakları, yapı ve malzeme açısından çok talepkardır. En basit doğrusal güç kaynağı için üç bileşen yeterlidir - bir transformatör, bir diyot (doğrultucu) ve bir filtre kapasitörü ve bir güç kaynağınız var. Anahtarlamalı güç kaynakları ile bu mümkün değildir.
Diğer bir dezavantaj ise müdahaledir. Çift yönlüdür, kaynaktan kaynağa gider ancak arızaya neden olabilir. Paraziti önlemek için, anahtarlamalı güç kaynakları giriş filtreleriyle donatılmıştır. Genellikle bir çekirdek üzerinde çift bobin ve bir çift kapasitörden oluşur.
Kaynağımın kalbi, iyi bilinen entegre TL494 devresidir. Yardımcı kaynak TNY267 devresini kullanır. Güç kaynağı, bir PC güç kaynağına çok benzer, ancak ayarlanabilir bir voltaj ve akım sağlayan farklı bir geri besleme devresine sahiptir. Akım algılama, üzerinde geçen akıma göre bir voltaj düşüşünün oluşturulduğu bir şönt vasıtasıyla yapılır. Güç anahtarlama transistörleri olarak Bipolar 2SC3039 seçilmiştir. Yaklaşık 200W'a kadar bipolar transistörler, MOSFET transistörlerden daha iyidir çünkü böyle bir kayıpları yoktur. Seçilen topoloji: yarı ömür, anahtarlama frekansı 50kHz. Çıkış yönünün merkez çıkışla neden iki yönlü olduğu garip görünebilir. Cevap basit, çünkü merkez olmadan bir çift diyot yerine dört diyot kullanılması gerekecekti ve bu kadar az sayıda dönüş ile fiyat nedeniyle bu avantaj da kullanılıyor. Ayrıca, çıkış diyotunun min olması gerektiğini unutmayın. kapanış yönünde 200V'a,
Ve şimdi en önemli şey için. Kaynak, yazdığım gibi bir PC kaynağına benzer, bu nedenle bileşenlerin çoğunu bir PC kaynağından alabilirsiniz. Muhtemelen en sorunlu uygun indüktörler elde etmektir. Giriş EMI filtresi hemen hemen her PC kaynağında aynıdır, burada durmayacağım. Daha da kötüsü, bir güç trafosu, bir yardımcı kaynak için bir trafo, bir uyarma trafosu ve bir çıkış bobini satın almaktır. Ana güçlü transformatör de hl'dir. PC kaynağındaki transformatör, ancak geri sarılmalıdır !!! İplik sayısı şemadadır. Tel çapları: Birincil, 0,8 mm çapında bir tel ile sarılmıştır, ikincil, bir tel halinde bükülmüş 0,4 mm çapında dört tel ile sarılmıştır. Birincil, sargının saçılmasını azaltan iki yarıya bölünür. Yardımcı transformatör ayrıca PC'den gelen yardımcı kaynaktan gelen çekirdek üzerindedir. Tekrar geri sarma gerekli! Bir PC kaynağından lehimlenmiş hazır uyarma transformatörünü kullandım, MOSFET'ler için bir uyarma transformatörü ile karıştırılmaması için bipolar transistörleri uyarmak için tasarlanmış bir uyarma transformatörü olmalıdır! Bu transformatörü bir yanda 3, diğer yanda 5 ayak olduğundan tanıyabilirsiniz. Ayrıca bir PC kaynağından yapılan çıkış bobinini de kullandım. Demir tozu sarı çekirdek üzerinde 30z vardır. Giriş ve çıkış terminalleri 6,3 mm FASTON'lar ile gerçekleştirilmektedir. Kaynak, STAND-BY işleviyle donatılmıştır. Bu mod, "X4" konektörü bağlanarak etkinleştirilir. STAND-BY'da kaynak yaklaşık 2W alır. Bu mod, "X4" konektörü bağlanarak etkinleştirilir. STAND-BY'da kaynak yaklaşık 2W alır. Bu mod, "X4" konektörü bağlanarak etkinleştirilir. STAND-BY'da kaynak yaklaşık 2W alır.
Bu, tüm işlevsellik açıklamasıyla ilgili. Ayrıca kart üzerinde elektronik fan hız kontrolü bulunmaktadır. R33, 25 °C'de 47k değerinde bir termistördür, en çok ısıtan çıkış diyot soğutucusunun kanatlarına tokatlanır (güçlü transistörler nedeniyle).
DİKKAT !!! KAYNAKTA ÖLÜMCÜL GERİLİM VAR! KONDANSATÖRLER KAPALI OLSA BİLE ŞARJLI KALABİLİR! HERHANGİ BİR YARALANMA, MÜLKİYET HASARI İLE İLGİLİ HERHANGİ BİR SORUMLULUK KABUL ETMİYORUM !!!
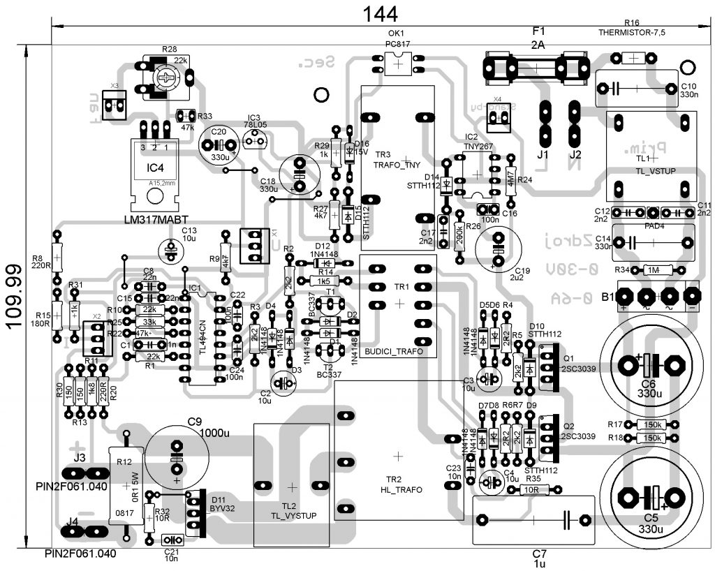
Kurulum planı:
Baskılı devre kartı:
Hem kurulum planı hem de PCB 1: 1.300 dpi'dir (PCB'nin nasıl yazdırılacağı hakkında bilgi için PCB nasıl yazdırılır makalesine bakın ). PCB'nin gerçek boyutu 110 x 144 mm'dir. Kart, BlueStorm II 400W PC güç kaynağının kutusuna tam olarak oturur.







Cevap ekle